Malta Police Headquarters Facility:
ADS managed and executed the renovation and build out of an existing warehouse space to support Malta Counter Narcotics Operations.
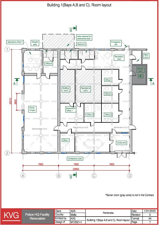
Scope of project included the renovation of three warehouse bays (500 SM) to provide Administrative, Operations, and Maintenance spaces for Counter Narcotic Operations for the Maltese Security Forces.
	
	
																			
																			
																			
																			
																			
																			
																			
																			
										
							
									
									
									
									
									
									
								
								